A flange hex bolt is a bolt that has a washer-like flange cast into the hexagonal head of the bolt. Designed to be used without the aid of a flat or locking-style washer, the flange hex bolt is manufactured to properly displace the torque and clamping force of the bolt over a wider area than that of a typical hex head bolt.
Available Materials: Steel, Corten Steel, Stainless steel
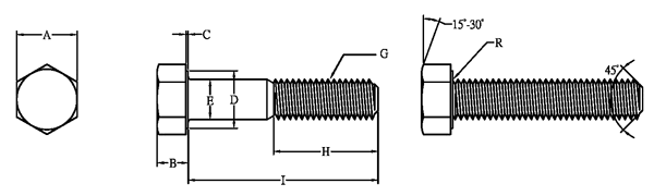
International Standards:
Mechanical Properties:
Many metals are used in the manufacture of a flange hex bolt, from common mild steel to stainless steel and titanium, and each type of bolt has a specific use.
Standard Sizes:
Used a great deal in the automobile industry, this type of bolt allows assembly line workers to install the fasteners much faster than a comparable bolt and washer.

| Item | Size | Item | Size |
| M06 | 6 ~ 150毫米 | 1/4 " | 1/2 ~ 6 " |
| M08 | 10 ~ 200 mm | 5/16 " | 1/2 ~ 6 " |
| M10 | 12 ~ 300 mm | 3/8 " | 1/2 ~ 8 " |
| M12 | 16 ~ 300 mm | 7/16 " | 3/4 ~ 8 " |
| M14 | 20 ~ 300 mm | 1/2 " | 3/4 ~ 8 " |
| M16 | 25 ~ 300 mm | 9/16 " | 1 ~ 8 " |
| M18 | 25 ~ 300 mm | 5/8 " | 1 ~ 12 " |
| M20 | 25 ~ 300 mm | 3/4 " | 1 ~ 12 " |
| M22 | 40 ~ 300 mm | 7/8 " | 1 1/2 ~ 12 " |
| M24 | 50 ~ 250 mm | 1 " | 2 ~ 10 " |
For most applications on the automobile, mild steel is the metal of choice for the flanged bolt. This type of bolt allows for sufficient torque and will endure several tightening cycles that might otherwise fatigue other types of fasteners. Stainless steel fasteners are most commonly used in food-quality machinery and pipelines, as well as caustic areas that might serve to corrode a mild steel fastener in a minimum amount of time.
A cross fitting allows four direction transition in pipeline fields.
There are different varieties of pipe fittings made of various materials and available in various shapes and sizes.
Our team is highly trained and experienced in servicing and producing all types of steel supplies.